· Design Concept
The development of TESS has been made in order to maximize energy saving effect which can be achieved by minimizing the volume of heated FO suitable for transferring operation instead of heating the whole storage tank.
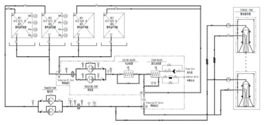
· Principle
Certain volume of heated FO in the settling tank is pumped into the mixing tank by preheating pump to mix with cold oil in the F.O. storage tank. The mixed oil is pumped back into settling tank by transfer pump. Instead of using heating coil, which could greatly reduce the heating coil installation and maintenance cost and reduce the steam consumption

System Schematic Diagram